fan image
Model
MDE 120
Code
300712100

MDE 120

EXTERNAL ROTOR MOTOR AND FORWARD IMPELLER FAN

MANUFACTURING FEATURES:

• Welded rolled steel housing.
• Laminated steel sheet simple inlet forward curved impeller for model MDE 130; in polypropylene for model  MDE 120.
• Inlet protection guard included.
• Epoxy powder finishing coat.
• Asynchronous external rotor with IP-44 protection and Class H insulation according to the DIN 40.050 h1 Standard; ball bearings greased for life. Standard voltages: 230V 50Hz

APPLICATIONS:

Designed for inline installation, they are suitable for:
• Industrial applications, extraction or injection of air.
• Cooling of machines and parts.
• Clean air transport.
• Maximum working temperature: 50ºC.

Fan

Max flow
190 m³/h
Weight
2.4 Kg

Motor

Power
0,07 kW
RPM Motor
2930
I max. 230 V
0,4
MDE 120
Loading...
Design point
Loading...
Service point
Loading...
Alternative point

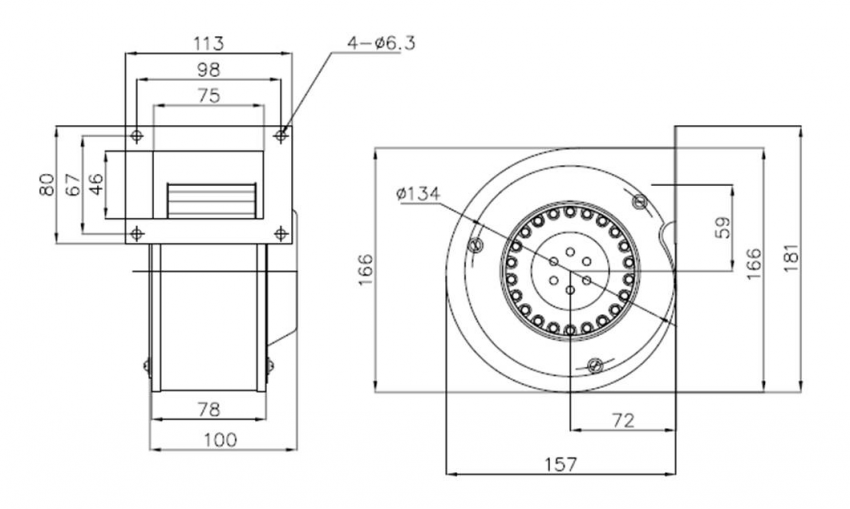
MDE 120

Dimensions scheme
MDE 120
-

MDE 120

Electrical scheme

MDE 120

Model
REG 1,5A
Code
960710015
Information
MANUAL SINGLE PHASE SPEED CONTROLLER

MANUFACTURING FEATURES

• Specially designed for sinus wave speed control. Only available for single phase fans.
• Terminal wiring.
• Minimum speed adjustable and potentiometer speed control.
• Sealed box IP-54 box. Light switch pilot.
• EMC filter according to the En55014 Standard.

Model
INT 25 3P A
Code
INT253PA
Information
SAFETY SWITCH

MANUFACTURING FEATURES

• Safety start-stop switches according to IEC 60947-1 and IEC 60947-3.
• IP65 and always equipped an auxiliary contact.
• Useful for switching off the current before handling the fan.

*Máx. thermal current air (A)

Model
REGD-1
Code
300782600
Information
MANUAL SINGLE PHASE SPEED CONTROLLER

Speed controller for single phase voltage (230 Vac - 50 Hz) controlable motors by varying the supplied voltage through phase angle control.
External enclosure in white-ivory plastic.
Internal enclosure in polyamide.
Maximum environment temperature: 35ºC.

Model
AB (GENERIC)
Code
Information
ACOUSTIC CABINS FOR CENTRIFUGAL FANS

Structure made of extruded aluminum profiles available in different dimensions according to the panel to be installed and the fan volume. The profiles joining is made of polyamide corners, which gives them great strength and the possibility of disassembling the structure into pieces.

Panels can be made of a single sheet with inner insulation of 10 mm thick polyethylene foam, or 2 sheets (sandwich panel) with thicknesses of 25 mm or 50 mm, depending on the required attenuation degree.

The sheets of each panel can be galvanized steel, galvanized steel with coloured plastic coating or stainless steel.

The lower part is finished off with a structure / plinth for transport and handling, made of galvanized sheet or upn-80/100 joist, depending on the cabin dimensions and weight.

The air inlets and outlets of the cabin have anti-vibration tarpaulins coupled to mounted fans. These fans rest on a floating base with acoustic dampers.

RRP to consult.