accessory image
Model
SFC 400 III 5A *
Code
SFC400III5

SFC

FREQUENCY SPEED CONTROLLER

MANUFACTURING FEATURES

• Specially designed for speed frequency control in ventilation applications.
• Ultra compact, simple operation and wide range of functions.

*Dial panel incorporated. Optional EMC filter.

Certifications: CE/UL/CSA/EN/GOST/CCC.

Protection index IP20.

The selection of SFC frequency drive speed controller must be made based on the maximum intensity absorbed by the fan to be regulated. The powers (kW) and the intensity for constant load refer to the normal duty (150% overload for 60 seconds). The intensity for quadratic load admits an overload of 110% during 60s.

SFC 230: Entrance 230V I, exit 230V III
SFC 400: Entrance 400V III, exit 400V III

EMC filter incorporated for models from 47A (included)

*Lineal load rated current

**Quadratic load rated current

Approx. weight
0.90 Kg
Max. I
5 A

SFC 400 III 5A *

Dimensions scheme
D
130

SFC 400 III 5A *

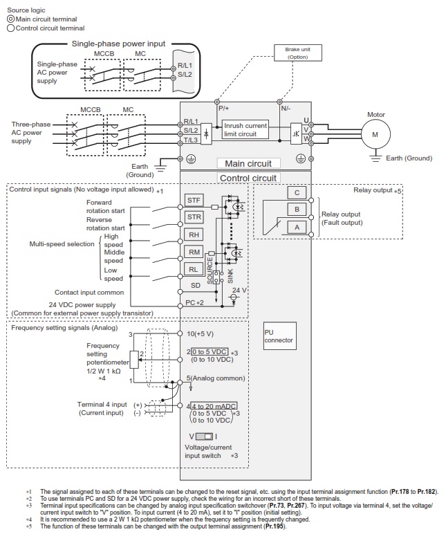
Electrical scheme
Model
Filtro EMC - Serie Trifásica de 5 a 8A.
Code
FFSFCIII03
Information
EMC FILTER

Cassette filter that fits on the heat sink of a SFC.
It offers the necessary level of protection to ensure compliance with the regulations on electromagnetic compatibility (EMC), as regards conducted emissions of the network power.
According to standard EN61800-3:2004
Limit high frequency noise.
- Reduces interference
- Protects sensitive equipment
- Eliminates cross communication of the drive.
Applicable in our variators SFC.

Model
SFC-DPV
Code
960002554
Information
SURFACE-MOUNT KEYPAD TO PLACE THE DRIVE REMOTELY, 7 SEGMENT DISPLAY

MANUFACTURING FEATURES
Surface-mount keypad for use with SFC Inverters.
Allows the Inverter to be operated from a more convenient location such as a control panel door.

Model
SFC-W 1
Code
960001055
Information
CONNECTION CABLE BETWEEN INVERTER AND PARAMETERIZATION CONSOLE

Connection cable between inverter and parameterization console

Available in different lengths

Model
SFC-W 2,5
Code
960002555
Information
CONNECTION CABLE BETWEEN INVERTER AND PARAMETERIZATION CONSOLE

Connection cable between inverter and parameterization console

Available in different lengths

Model
SFC-W 5
Code
960005055
Information
CONNECTION CABLE BETWEEN INVERTER AND PARAMETERIZATION CONSOLE

Connection cable between inverter and parameterization console

Available in different lengths